水泥厂应用了大量的风机。但是很多山东离心风机的风量很难测量或是缺少必要的专用是设备和经验。
为此,本平台特地提出一种简要的方法,帮助水泥企业测量有关风机的风量。
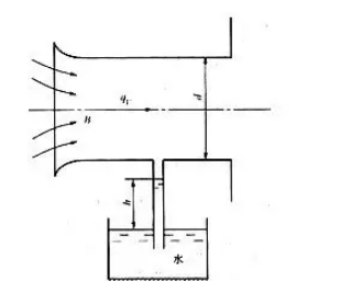
如下图所示,在风机圆形管道下接一根下端插入盛水容器的玻璃管,若玻璃管中的水的上升高度为h,则可以计算风机的流量Q(工况流量)。

根据伯努利方程,取风机进口处为基准面,玻璃管为断面,建立方程:
0 + 0 + 0 = 0 + p/ (ρ气 * g) + v*v/2g
而玻璃管中的p = ρ水 * g * h
可得 v = sqrt(2 * g *h *ρ水/ρ气 )
而Q = v * π/4 * d * d 。
该方法为求风机实际风量的建议计算方法,只需要知道玻璃管中水柱的高度即可。如果现场风机安装有压力表,也可以直接用压力表读数计算。
山东离心风机风量和风压过小的原因与对策
高压离心风机叶轮工作时,机内存在压力较高和压力较低的两个区域。1、由于运动部件和固定部件之间必然存在间隙,这就使流体有从高压区通过缝隙泄漏到低压区的可能性,气体从通风机转轴与蜗壳之间的间隙处泄漏,形成外泄漏损失。2、蜗壳靠近前盘的气流,经过叶轮进口与进气口之间的间隙,流回到叶轮进口的低压区,导致内泄漏损失。以上便是导致高压离心风机风压和风量过小的两大主要原因。
间隙越大,风机风量和风压越小,风机效率越低。这一点既为试验所证实,也为广大山东离心风机厂家所承认。为此可采取以下对策:
1、采用物理方法缩小间隙的工作量太大,更换风机部件,或者大修机器。
2、采用化学方法缩小间隙,即在间隙内均匀填充强力万能胶.该胶胶接强度高,耐水、油、酸、碱,耐湿热老化,在机械制造、维修,农机、家具方面用途十分广泛。
3、对风机进行了试验测试,诺风机的风量和压力均有增加,则可有效提高风机运转效率。
版权声明:文章来源于m.slidebd.com/index.php?c=show&id=815,转载请注明出处!